2006 Honda Ridgeline Fuse Diagram

2006 primary engine compartment number ampere rating a circuit protected 1 10 left headlight low beam 2 not used 3 10 left headlight high beam 4 15 small lights 5 10 right headlight high beam 6 10 right headlight low beam 7 75 back. 2006 honda ridgeline wiring diagram thanks for visiting my internet site this blog post will certainly review concerning 2006 honda ridgeline wiring diagram.

Honda Ridgeline 2006 2014 Fuse Box Diagrams

Honda Ridgeline 2006 2014 Fuse Box Diagrams

2006 honda ridgeline fuse diagram. Fuse box diagram fuse layout location and assignment of fuses and relays honda ridgeline 2006 2007 2008 2009 2010 2011 2012 2013 2014. Fuse box diagram location and assignment of electrical fuses for honda ridgeline 2006 2007 2008 2009 2010 2011 2012 2013 2014. 2006 honda ridgeline fuse box diagram welcome to my internet site this post will discuss about 2006 honda ridgeline fuse box diagram. 2002 honda s2000 fuse box diagram. We have accumulated lots of pictures hopefully this picture serves for you as well as help you in finding the answer you are seeking. We have actually accumulated many images ideally this photo is useful for you and also assist you in finding the answer you are searching for.

Honda ridgeline 2006 fuse box diagram year of production.

Gallery of 2006 Honda Ridgeline Fuse Diagram

Interior Fuse Box Location 2006 2014 Honda Ridgeline 2008
Download Now
Interior Fuse Box Location 2006 2014 Honda Ridgeline 2008
Fuse Box Diagram Honda Ridgeline 2017 2019
Download Now
Fuse Box Diagram Honda Ridgeline 2017 2019
Old House Fuse Box Wiring Diagrams Diagram Base Website
Download Now
Old House Fuse Box Wiring Diagrams Diagram Base Website
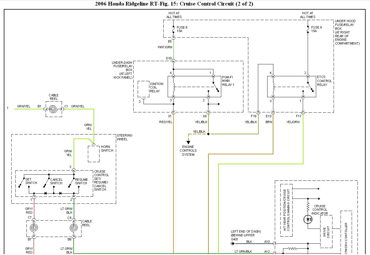
Cruise Control My 2006 Honda Ridgeline Cruise Control Will
Download Now
Cruise Control My 2006 Honda Ridgeline Cruise Control Will
Honda Ridgeline 2007 Blows The Horn Stop Light Fuse Each
Download Now
Honda Ridgeline 2007 Blows The Horn Stop Light Fuse Each
A86e 2006 Honda Ridgeline Fuse Box Diagram Wiring Library
Download Now
A86e 2006 Honda Ridgeline Fuse Box Diagram Wiring Library
2008 Honda Ridgeline Wiring Diagrams Diagram Base Website
Download Now
2008 Honda Ridgeline Wiring Diagrams Diagram Base Website
A768f3e 2006 Honda Ridgeline Service Manuals Wiring Library
Download Now
A768f3e 2006 Honda Ridgeline Service Manuals Wiring Library
Fuse Box Diagram Honda Ridgeline 2006 2014
Download Now
Fuse Box Diagram Honda Ridgeline 2006 2014
2007 Honda Ridgeline Fuse Box Diagram H1 Wiring Diagram
Download Now
2007 Honda Ridgeline Fuse Box Diagram H1 Wiring Diagram
Ridgeline Fuse Box H1 Wiring Diagram
Download Now
Ridgeline Fuse Box H1 Wiring Diagram
Honda Ridgeline Fuse Box Locations Amp Scan Port All Years
Download Now
Honda Ridgeline Fuse Box Locations Amp Scan Port All Years
Honda Ridgeline Engine Fuse Box Relay Junction Block 06 14 2006 2007 2008 2009 Ebay
Download Now
Honda Ridgeline Engine Fuse Box Relay Junction Block 06 14 2006 2007 2008 2009 Ebay
06 14 Honda Ridgeline Fuse Box Diagram
Download Now
06 14 Honda Ridgeline Fuse Box Diagram
Cruise Control My 2006 Honda Ridgeline Cruise Control Will
Download Now
Cruise Control My 2006 Honda Ridgeline Cruise Control Will
2011 Ridgeline Fuse Box C3 Wiring Diagram
Download Now
2011 Ridgeline Fuse Box C3 Wiring Diagram
Ht 3850 Ridgeline Fuse Box Download Diagram
Download Now
Ht 3850 Ridgeline Fuse Box Download Diagram
Fuse Box Location And Diagrams Honda Ridgeline 2017 2019
Download Now
Fuse Box Location And Diagrams Honda Ridgeline 2017 2019
Ht 3850 Ridgeline Fuse Box Download Diagram
Download Now
Ht 3850 Ridgeline Fuse Box Download Diagram