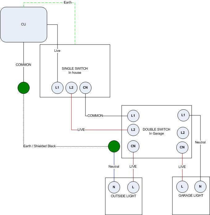
It is not uncommon for a circuit to be configured so that two wall switches in a single double gang box control two different light fixtures. The essence of the wiring configuration is for one hot feed wire entering the switch box to be split so that it feeds both switches which in turn feed hot wires in cables that lead out to two separate light fixtures.
Ceiling Fan Switch Wiring Electrical 101
Double switch wiring diagram light. Multiple light wiring diagram. Abston wood crafts 267285 views. To wire a double switch youll need to cut the power remove the old switch then feed and connect the wires into the double switch fixture. Collection of leviton double pole switch wiring diagram. This is in the chicago area with conduit. For example you might want to turn on a bathroom light separately from the ceiling fan.
This is a completed circuit. Lets assume the load you are controlling is a light. The source is at sw1 and 2 wire cable runs from there to the fixtures. Here is a wiring diagram for a light switch four way light switch. The electricity flows from the hot wire black through the 2 way switch shown in off position and then to the light and returns through the neutral wire white. How to wire two light switches with one power supply.
I show how to wire a double switch with 2 single pole switches. It reveals the elements of the circuit as streamlined shapes and also the power and also signal connections between the gadgets. I show how to wire a double switch that operates a light and an exhaust fan. The most common. Though it is not difficult to wire a double switch careful attention to safety is crucial to prevent injury. By wiring a 2 way switch the circuit below shows the basic concept of electricity flow to the load.
A double switch has 2 switch levers in a single housing. This diagram illustrates wiring for one switch to control 2 or more lights. The hot and neutral terminals on each fixture are spliced with a pigtail to the circuit wires which then continue on to the next light. How to wire a light switch duration. A wiring diagram is a streamlined conventional photographic representation of an electrical circuit. It is possible that you may encounter a double pole light switch within the home but these are not very common in a residential setting.
Powering a double switch controlling two separate light fixtures from a single power source isnt a casual diy project unless youre confident of your skills. These switches have four terminals as well but the terminals are identified as line and load.
















